LabView学习教程:适合于HEBUT机电本科生
《传感与检测技术》课程笔记——虚拟仪器技术及应用LabView案例
在上面的课程中,提到了一个三维“水管”的题目。但没有给出答案。这里补上
文件版本:Labview2018

源文件请关注公众号,回复“三维空心管”五个字领取。感谢支持!!

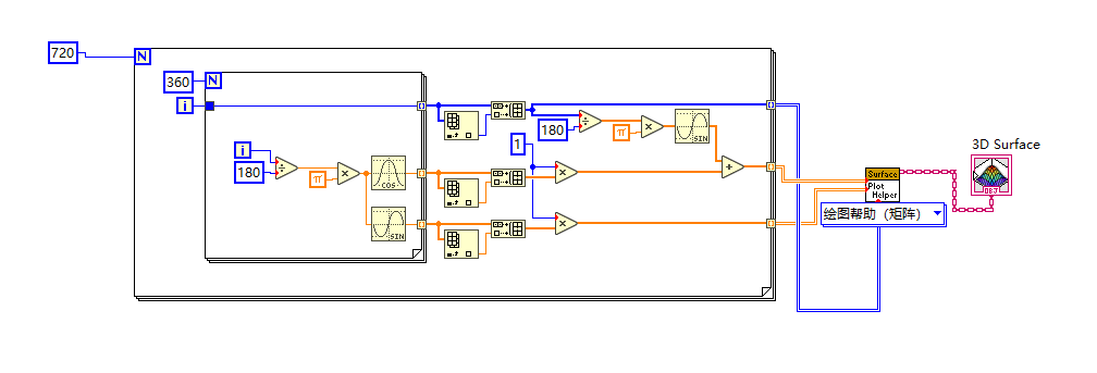
花样一
程序:

效果:


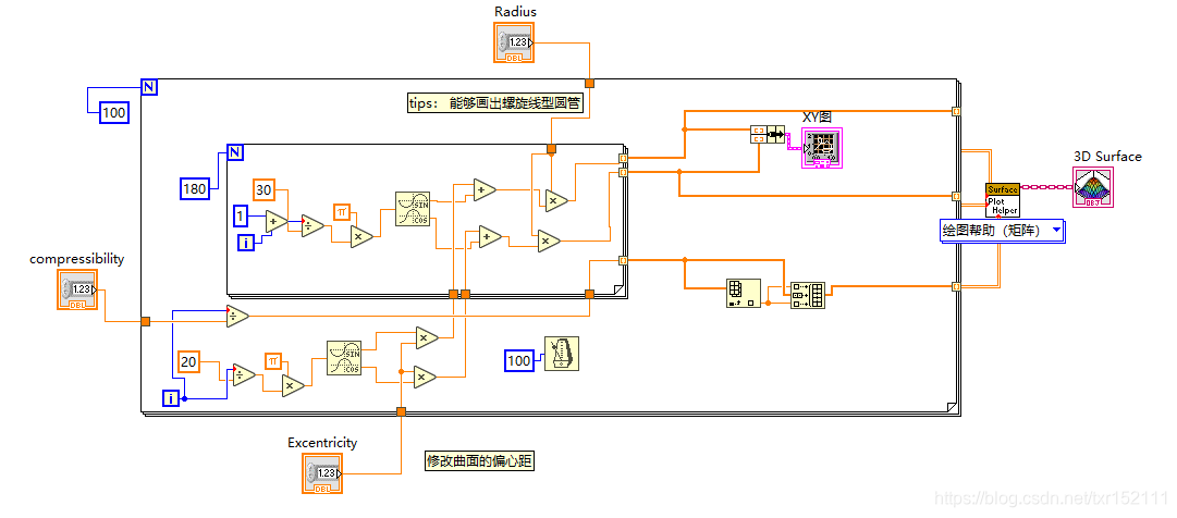
花样二

效果: (注意调参数,右侧)
花样三
版权归原作者(hebuter.pan@qq.com)所有,仅提供思路,不提供源文件。
源程序:

效果:


《传感与检测技术》课程笔记——虚拟仪器技术及应用LabView案例
在上面的课程中,提到了一个三维“水管”的题目。但没有给出答案。这里补上
文件版本:Labview2018

源文件请关注公众号,回复“三维空心管”五个字领取。感谢支持!!

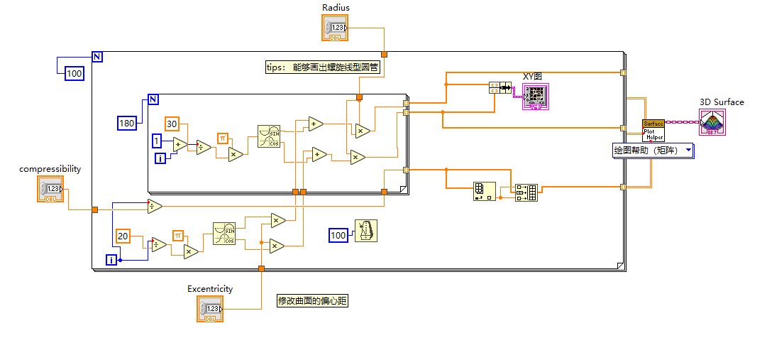
程序:

效果:



效果: (注意调参数,右侧)
版权归原作者(hebuter.pan@qq.com)所有,仅提供思路,不提供源文件。
源程序:

效果:

