处理器
TI AM437x是一款高性能嵌入式32位工业级Cortex-A9处理器。拥有多种工业接口资源,以下是AM437x CPU资源框图:
音频输出输入接口
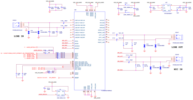
本开发板带有音频输入和输出接口,使用TLV320AIC3106IRGZ音频芯片。CON16为Line in音频输入接口,CON17为Line out音频输出接口,CON18为Mic in音频输入接口。以上三者均使用3.5mm直径接口,实物图和原理图如下:
处理器
TI AM437x是一款高性能嵌入式32位工业级Cortex-A9处理器。拥有多种工业接口资源,以下是AM437x CPU资源框图:
音频输出输入接口
本开发板带有音频输入和输出接口,使用TLV320AIC3106IRGZ音频芯片。CON16为Line in音频输入接口,CON17为Line out音频输出接口,CON18为Mic in音频输入接口。以上三者均使用3.5mm直径接口,实物图和原理图如下: