全部电路已经在educoder平台测试通过。
电路文件已经托管至Github,欢迎star:点这里
文章目录
-
- mips指令格式
- 指令
- 指令译码逻辑
- ALU控制逻辑
- 控制信号
- 电路图
- 功能说明
mips指令格式



- 当OP六位为全零的时候,表示是R型指令
Rs、Rt原寄存器,Rd是目标寄存器
shamt是用来移位的偏移量,最多偏移31位
最后一个字段funct描述运算功能,相当于是op字段的扩展操作码 32表示加法,34表示减法 - OP不为0,能够唯一确定不同的功能 I型指令有两个操作数Rs和Rt
指令

lw:

addi:

sw:

beq:

bne:

add:

syscall:

slt:

辅助指令R_TYPE:
用于判断是否是寄存器写回信号
指令译码逻辑
OP是指令的26-31位,func是指令的0-5位。

ALU控制逻辑

ALU_OP=((指令==slt)?11:5)
控制信号


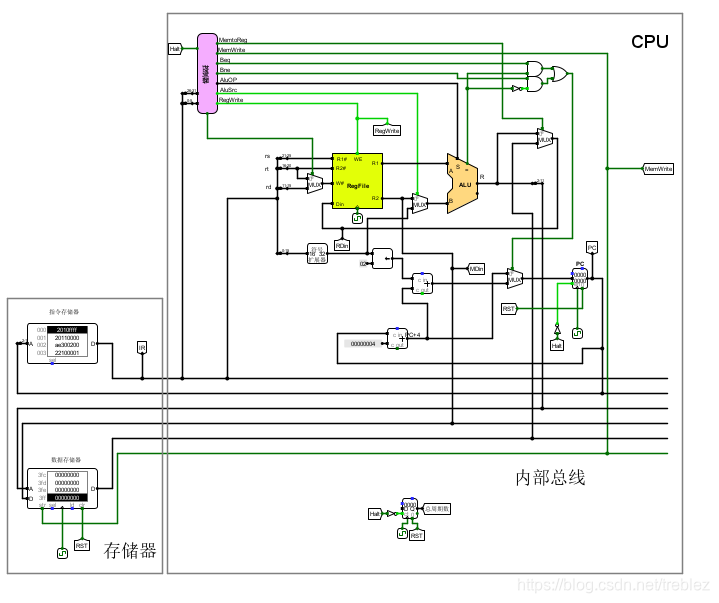
电路图

功能说明
支持8条MIPS核心指令,最终设计实现的 MIPS 处理器能运行冒泡排序测试程序 sort.asm,该程序自动在数据存储器0~15号字单元中写入16个数据,然后利用冒泡排序将数据升序排序。